| 型 式 | 5エレメント八木
2列 スタック |
周 波 数 | 144MHz 〜 146MHz (fo:145MHz) |
||
|---|---|---|---|---|---|
| VSWR | 1.5 以下 | インピーダンス | 50Ω | ||
| 利 得 | 11.7 dBi | F B 比 | 16 dB以上 | ||
| 最大入力 | 200W (FM) | 電力半値角 | 47゜ | ||
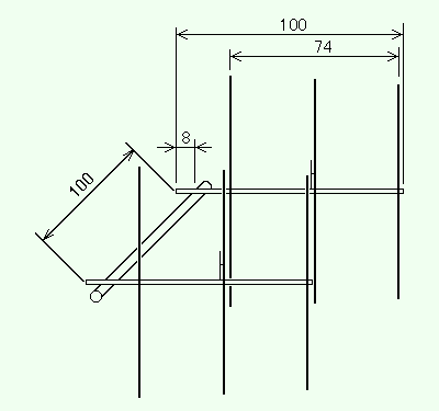
| ブーム長 | 1,000 mm | 回転半径 | 1,100 o | ||
| 重 量 | 3.5 Kg | コネクター | M−J | ||
| 受風面積 | 0.13 u | 耐 風 速 | 瞬間最大風速 40 m/sec. | ||
| 収納寸法 | 1,200mm | 適合マスト | φ25o 〜 φ60o | ||
| 標準価格 | ¥41,580 (本体価格 ¥37,800) | ||||
| 備 考 | ( 仕様は、予告無く変更する場合があります) | ||||
寸法は概算です (単位 cm)