《 Radix 受信用アンテナ 

 

 

< VHF帯航空無線受信用アンテナ >

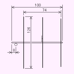
MODEL RAB-120Y3

 

 

マストへの取付金具付きですが、             .
ハンディ・レシーバーと組み合わせて手持ちでの使用もできます。

型  式 3エレメント八木 受信周波数 118 〜 136MHz
VSWR 1.8 以下 インピーダンス50 Ω
利  得 7.1 dBi 以上 F B 比 12 dB 以上
ブーム長 1,000 mm 回転半径  950 o
重  量 800 g コネクターM−J
受風面積 0.04 u 耐 風 速 瞬間最大風速 40 m/sec.
 適合マスト  φ25 o 〜 φ40 o / □25 o 〜 □30 o
標準価格 ¥15,180. (本体価格 ¥13,800)
取扱説明書 (660KB)   【 ご覧いただくには Adobe Reader が必要です 】
備  考 ( 仕様は、予告無く変更する場合があります)

 


RAB-120Y3 の外観寸法

寸法は概算です (単位 cm)


1,Oct.,2025 by Radix, Inc. (info@radix-inc.com)